Page 30 - NGW-L减速机样本|NGW-S行星齿轮减速机手册|NGW系列减速机手册
P. 30
1500 2.99 4.2 6.28 8.94 12.27 18.09
600 1.04 1.45 2.16 3.08 4.23 6.22
750 1.43 1.82 2.7 3.85 5.28 7.76
20 (500)
1000 1.71 2.42 3.6 5.13 7.04 10.15
1500 2.56 3.62 5.39 7.68 10.55 15.53
2.粗 线 框 内 不 带 括 号 之 传 动 比 为 优 选 数 系 。
NGW-S 三 级 减 速 器 许 用 输 入 功 率
注 : 1.粗 线 框 上 方 为 优 选 范 围 ; 粗 线 框 下 方 为 可 用 范 围 。
2.不 带 括 号 之 传 动 比 为 优 选 数 系 。
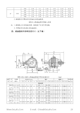
四 、 减 速 器 的 外 形 和 安 装 尺 寸 ( 见 下 表 )
NGW-S 型 二 级 和 三 级 减 速 器 的 外 形 和 安 装 尺 寸 ( mm)
机 座 型 公 称 传 外 形 及 中 心 高 轴 伸 地 脚 尺 寸 质 量 油 量
号 号 动 比 i L B H H0 R L4 L8 d D l1 l2 t1 b1 t2 b2 L1 L2 L3 L0 B1 d1 n (kg) (L)
二 级 减 速 器
NGW-S 11.2~ 31.5 35 38.0 10
0
4 696 380 425 180 180 412 310 80 58 130 85 22 290 230 30 72 330 M24 35 180 10
42 35.5~ 80 -0.5 30 33.0 8
NGW-S 11.2~ 31.5 40 82 43.0 12
0
5 740 420 463 200 200 450.5 350 90 130 95 25 310 250 30 80.5 360 M24 40 290 14
52 35.5~ 80 -0.5 35 58 38.0 10
NGW-S 11.2~ 31.5 45 48.5 14
0
6 802 475 524 225 225 472.5 380 100 82 165 106 28 360 290 35 67.5 405 M30 45 342 18
62 35.5~ 80 -0.5 40 43.0 12
NGW-S 11.2~ 31.5 50 53.5 14
0
7 863 535 574 250 250 525 450 110 82 165 116 28 375 305 35 80 465 M30 45 420 25
72 35.5~ 80 -0.5 45 48.5 14
NGW-S 11.2~ 31.5 55 59.0 16
0
8 925 590 634 280 280 584 500 120 82 165 127 32 440 350 45 86 510 M36 50 520 35
-0.5
82 35.5~ 80 50 53.5 14
Www.GeLuFu.Com E-mail:China@GeLuFu.Com 29

