Page 13 - WS型、WSD型万向联轴器样本|G型、GD型万向联轴器样本|H型、HD型万向联轴器样本|GA型、HA型可伸缩型万向联轴器样本|GR型、HR型快速锁紧式万向联轴器样本|G型、H型万向联轴器样本的选型|SWC-I轻型万向联轴器样本|SWC中型万向联轴器样本|SWC-Z重型万向联轴器样本|SWC-D短型万向联轴器样本|KSWC型—空心十字轴式万向联轴器样本
P. 13
联 轴 器
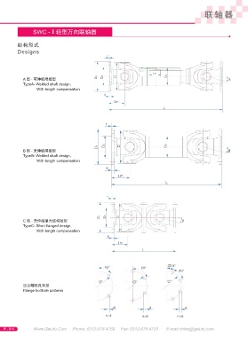
SWC - I 轻型万向联轴器
结构形式
Designs
A 型 - 可伸缩焊接型
TypeA- Welded shaft design,
With length compensation
B 型 - 无伸缩焊接型
TypeB- Welded shaft design,
With length compensation
C 型 - 无伸缩单元结构短型
TypeC- Short flanged design,
With length compensation
法兰螺栓孔布置
Flange bolthole patterns
E - 014 Www.Gelufu.Com Phone: 0312-678 4766 Fax: 0312-678 4733 E-mail:china@gelufu.com

