Page 20 - NGW-L减速机样本|NGW-S行星齿轮减速机手册|NGW系列减速机手册
P. 20
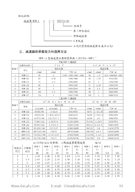
标 记 示 例 :
减 速 器 NGW-L 4 1 -5 JB3724-84
标 准 号
第 5 种 传 动 比
单 级 减 速 器
4 号 机 座
立 式 行 星 齿 轮 减 速 器 (L 表 示 立 式 )
三 、 减 速 器 的 承 载 能 力 和 选 用 方 法
NGW— L 型 减 速 器 主 要 性 能 参 数 ( JB3724— 84P) 4
单 级 NGW— L 减 速 器
公 称 传 动 比 i 4 4.5 5 2 5.6 63 71 8 9 10 2
1
1
机 座 号 性 参 参 数 性 能 参 数
型 号
a(mm) m(mm) T(N· m) a(mm) m(mm) T(N· m)
1 NGW-L11 56 2 1330~ 1390/1380~ 1420 50 1.5 610~ 640/860~ 920
2 NGW-L21 63 2.25 1890/1980 56 1.75 910/1280
3 NGW-L31 71 2.5 2700/2850 63 2 1350/1890
4 NGW-L41 80 3 3960/4100 71 2.25 1950/2700
5 NGW-L51 90 3 5400/5630 80 2.5 2670/3690
6 NGW-L61 100 3.5 7450/7700 90 3 3840/5450
7 NGW-L71 112 4 1000/11400 100 3 5000/7160
二 级 NGW— L 减 速 器
1
公 称 传 动 比 i 25 1,3 28 31.5 35.5 40 45 50 2 56 63 71 80 90 100 2
机 座 号 性 参 参 数 性 能 参 数
型 号
a1/a2(mm) m1/m2(mm) T(N· m) a(mm) m(mm) T(N· m)
4 NGW-L42 50(56)/80 1.5(2)/3 3500/4550 50/71 1.5/2.25 2020/2800
5 NGW-L52 56(63)/90 1.75(2.25)/3 5000/6210 56/80 1.75/2.5 2780/3870
6 NGW-L62 63(71)/100 2(2.5)/3.5 7530/8560 63/90 2/3 4000/5700
7 NGW-L72 71(80)/112 2.25(3)/4 11210/12650 71/100 2.25/3 5230/7510
8 NGW-L82 80(90)/125 2.5(3)4.5 15200/17190 80/112 2.5/3.5 7620/10570
9 NGW-L92 90(100)/140 3(3.5)/5 21940/24890 90/125 3/4 11410/15770
10 NGW-L102 100(112)/160 3(4)/6 28710/36280 100/140 3/4.5 16230/22440
11 NGW-L112 112(125)/180 3.5(4.5)/6 41830/49580 112/160 3.5/5 22230/30800
12 NGW-L122 125(140)/200 4(5)/7 62440/68190 125/180 4/6 32030/45370
n 1=1000r/min 时 单 级 、 二 级 减 速 器 圆 周 速 度 (m/s)
NGW-L NGW-L NGW-L NGW-L NGW-L NGW-L NGW-L NGW-L NGW-L
传 动 比 公 称 传 11 21 31 41 51 61 71
代 号 动 比
42 52 62 72 82 92 102 112 122
1 4 2.28 2.46 2.85 3.14 3.54 3.93 4.39 7.07 7.85
2 4.5 2.04 2.29 2.54 3.89 3.26 3.62 3.99 6.52 7.21
3 5 1.93 2.07 2.41 2.68 3.02 3.35 3.85 6.03 6.70
4 5.6 1.48 1.66 1.89 2.18 2.46 2.76 3.07 4.90 5.51
5 6.3 1.39 1.54 1.76 1.98 2.23 2.52 2.78 4.45 5.02
6 7.1 1.28 1.42 1.62 1.79 2.03 2.28 2.53 4.05 4.54
7 8 1.16 1.28 1.48 1.63 1.83 2.06 2.26 3.30 3.72
Www.GeLuFu.Com E-mail:China@GeLuFu.Com 19

