Page 23 - NGW-L减速机样本|NGW-S行星齿轮减速机手册|NGW系列减速机手册
P. 23
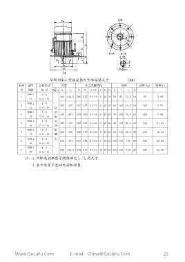
单 级 NGW-L 型 减 速 器 外 形 和 安 装 尺 寸 (mm)
机 座 型 号 公 称 传 动 外 形 法 兰 及 螺 栓 孔 轴 伸 质 量 (kg) 油 量 (L)
号 规 格 比 id DM L2 D1 L1 D2 D3 n× D1 h h1 h2 d l t b
NGW-L 4~ 5
1 360 230.5 280 325 6× 18 6 20 18 50 82 53.5 14 65 3.89
11 5.6~ 10
NGW-L 4~ 5
2 385 255 305 345 6× 18 6 20 18 60 105 64.0 18 100 5.53
21 5.6~ 10 按
NGW-L 4~ 5 所
3 430 287 330 380 6× 18 6 25 20 70 105 74.5 20 120 7.86
31 5.6~ 10 配
NGW-L 4~ 5 电
4 485 315 380 455 8× 22 8 25 20 80 130 85.0 22 160 11.63
41 5.6~ 10 动
NGW-L 4~ 5 机
5 520 355 420 470 8× 22 8 30 25 90 130 95.0 25 240 16.52
51 5.6~ 10 确
NGW-L 4~ 5 定
6 605 387 505 545 8× 32 8 30 25 100 165 106 28 320 20.84
61 5.6~ 10
NGW-L 4~ 5
7 670 416.5 570 610 8× 32 10 30 28 110 165 116 28 400 29.85
71 5.6~ 10
注 : 1.所 配 电 动 机 型 号 规 格 确 定 L、 L 2 之 尺 寸 。
2.表 中 质 量 不 包 括 电 动 机 质 量 。
Www.GeLuFu.Com E-mail:China@GeLuFu.Com 22

